上海恒點傳動設備有限公司
加微信聯系 恒點減速機QQ2:51228482
[HTML] [XML]  産品展示産品展示-RSS  新聞中心新聞中心-RSS  技術支持技術支持-RSS
産品分類: 減速機蝸輪絲杆升降機轉向箱蝸輪蝸杆減速機齒輪減速機行星齒輪減速機擺線針輪減速機無級變速機大功率減速器
上海恒點傳動設備有限公司
資訊分類
和産品相關的技術文章
當前位置:網站首頁 > 技術支持 > ZSY、ZSZ圓柱齒輪減速機外形及安裝尺寸(JB/T8853-2001)

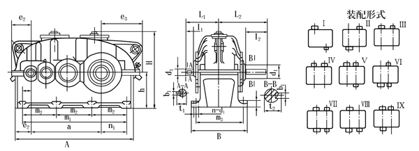
ZSY、ZSZ圓柱齒輪減速機外形及安裝尺寸(JB/T8853-2001)

Tags: Z系列硬齒面圓柱齒輪減速機    發布時間: 2015-02-03

ZSY、ZSZ系列減(jiǎn)速器外形及安裝(zhuāng)尺寸

ZSY、ZSZ系列減(jiǎn)速器外形及安裝(zhuāng)尺寸

規格
A
B
H  ≈
a
i=22.4~71 
i=80~100 
d2(m6)
ι2
L2
b2
t2
d1(m6)
ι1
L1
b1
t1
d1(m6)
ι1
L1
b1
t1
160
600
290
375
352
24
36
166
8
27
19
28
158
6
21.5
75
105
245
20
79.5
180
665
320
435
395
28
42
187
8
31
22
36
181
6
24.5
85
130
285
22
90
200
745
355
492
440
32
58
218
10
35
22
36
196
6
24.5
95
130
300
25
100
224
840
390
535
496
38
58
233
10
41
24
36
211
8
27
100
165
355
28
106
250
930
450
589
555
42*
82*
282
12
45
32
58
258
10
35
110
165
380
28
116
280
1025
500
662
620
48
82
307
14
51.5
38
58
283
10
41
130
200
440
32
137
315
1160
570
749
699
48
82
337
14
51.5
42
82
337
12
45
140
200
470
36
148
 
i=22.4~35.5
i=40~90
 
355
1280
600
870
785
60
105
380
18
64
48
82
357
14
51.5
170
240
530
40
179
400
1420
690
968
880
65
105
410
18
69
55
82
387
16
59
180
240
560
45
190
450
1610
750
1067
989
70
105
450
20
74.5
60
105
450
18
64
220
280
640
50
231
 
i=22.4~45
i=50~90
 
500
1790
830
1170
1105
80
130
515
22
85
65
105
490
18
69
240
330
730
56
252
560
2010
910
1320
1240
95
130
530
25
100
75
105
505
20
79.5
280
380
820
63
292
630
2260
1030
1480
1395
110
165
625
28
116
85
130
590
22
90
300
380
880
70
314
710
2540
1160
1655
1565
120
165
685
32
127
90
130
650
25
95
340
450
1010
80
355
* 當i=63和i=71時,軸伸尺寸d1=32、l1=58。
規格
C
m1
m2
m3
n1
n2
e1
e2
e3
h
地腳螺栓孔
質量/kg
潤滑油量/L
d3
n
160
32
510
170
245
38
120
83
107
188
180
18.5
8
170
10
180
32
570
190
275
37.5
137.5
85
109
209
200
18.5
205
14
200
40
630
210
300
40
150
97.5
128
238
225
24
285
19
224
40
705
235
335
43.5
165.5
110.5
141
263
250
24
8
390
26
250
50
810
270
380
60
195
120
158
293
280
28
540
36
280
50
855
285
430
35
200
120
160
325
315
28
750
53
315
63
960
320
490
40
221
143
189
364
355
35
940
75
355
63
1080
360
520
42.5
252.5
143
188
398
400
35
8
1400
115
400
80
1200
400
590
45
275
155
215
445
450
42
1950
160
450
80
1350
450
650
48
313
178
240
505
500
42
2636
220
500
100
1500
500
710
55
335
200
277
557
560
48
8
3800
300
560
100
1680
560
790
70
370
235
324
624
630
48
5100
450
630
125
1890
630
890
72.5
422.5
255
344
694
710
56
7060
520
710
125
2130
710
1000
92.5
472.5
297.5
400
780
800
56
9205
820
上一篇 上一篇: ZSZ圓柱齒輪減速機功率(JB/T8853-2001)
下一篇 下一篇: ZSY、ZSZ圓柱齒輪減速機概述及特點、型号 、規格及其表示方法(JB/T8853-2001)
相關新聞文章 > 查看更多
蝸杆傳動的熱平衡是什麽 2025-04-03
對滾動軸承保持架用材料有何要求 2024-11-07
諧波傳動減速器檢驗規則(GB/T14118-93) 2024-03-26
ZQ、ZQH型圓柱齒輪減速器外形與安裝尺寸及軸端型式(JB1585-75) 2015-09-04
ZQ、ZQH型圓柱齒輪減速器承載能力(JB1585-75) 2015-09-03
ZQ、ZQH型圓柱齒輪減速器技術參數(JB1585-75) 2015-09-02
ZQ、ZQH型圓柱齒輪減速器型号與示例(JB1585-75) 2015-09-01
YK系列圓錐—圓柱齒輪減速器類型、特點和适用範圍 、裝配型式、代号示例(YB/T050-93) 2015-08-08
YK系列圓錐—圓柱齒輪減速器公稱功率和熱功率(一)(YB/T050-93) 2015-08-07
YK系列圓錐—圓柱齒輪減速器公稱功率和熱功率(二)(YB/T050-93) 2015-08-06
YK系列圓錐—圓柱齒輪減速器傳動比(YB/T050-93) 2015-08-05
YK系列圓錐—圓柱齒輪減速器轉動慣量和影響系數(YB/T050-93) 2015-08-04
返回頂部 關閉本頁】 【打印本頁
電 話:021-22815912  021-22816186  傳 真:021-32050712   郵箱:sales@021jsj.cn  減速機 絲杆升降機 轉向箱 蝸輪蝸杆減速機
Copyright©2009-2026上海恒點傳動設備有限公司 版權所有  地址:上海市金山區亭林鎮林寶路39号  郵編:200442  滬ICP備10206998号-2 
友情鏈接機械設備網 | 渦街流量計 | 輸送機 | 變頻控制櫃 | 破碎機 | 工業同城 | 手持終端 | 柴油發電機 | uv平闆打印機 | 風淋室 | QUV | 防火門 | 九愛圖紙 | 感應加熱設備 | 輸送帶廠家 | 噪聲治理 | 西門子plc | 拖鏈電纜 | AGV | 機械雜志 | 現代機械 | UWB高精度定位 |