上海恒點傳動設備有限公司
加微信聯系 恒點減速機QQ2:51228482
[HTML] [XML]  産品展示産品展示-RSS  新聞中心新聞中心-RSS  技術支持技術支持-RSS
産品分類: 減速機蝸輪絲杆升降機轉向箱蝸輪蝸杆減速機齒輪減速機行星齒輪減速機擺線針輪減速機無級變速機大功率減速器
上海恒點傳動設備有限公司
資訊分類
和産品相關的技術文章
當前位置:網站首頁 > 技術支持 > WD蝸杆減速器安裝尺寸(JB/ZQ4390-79)

WD蝸杆減速器安裝尺寸(JB/ZQ4390-79)

Tags: WP鑄鐵蝸輪蝸杆減速機    發布時間: 2025-05-20

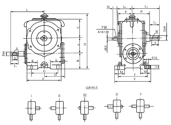
圓柱蝸(wō)杆減(jiǎn)速器的外形 、安裝尺寸及裝配形式

WD80~WD120外形尺寸

圓柱蝸杆減速器的外形、安裝尺寸及裝配形式

    WD80~WD120減(jiǎn)速器安裝尺寸見(jiàn)下表
型号
a
B
C
D
D1
E
F
G
H
J
K
L
L1
L2
L3
L4
WD80
80
90
105
20
35
190
200
150
305
160
60
190
50
158
58
90
WD100
100
110
135
25
40
240
210
180
375
170
70
225
60
182
82
100
WD120
120
120
150
30
45
270
220
200
420
180
80
275
80
197
82
110
型号
M
O
P
P1
S
T
U
V(b×h)
W(b×h)
d
轉動慣量kg·m2
質量kg
WD80
60
120
83.5
100
40
50
20
6×6
10×8
18
0.265×10~3
36.5~38.5
WD100
70
145
90
100
40
60
20
8×7
12×8
18
0.84×10~3
53~65
WD120
80
165
102
115
50
60
20
8×7
14×9
18
1.79×10~3
75.4~81.7

WD150~WD360外形尺寸

圓柱蝸杆減速器的外形、安裝尺寸及裝配形式

    WD150~WD360減(jiǎn)速器安裝尺寸見(jiàn)下表
型号
a
B
C
D
D1
E
F
G
H
J
K
L
L1
L2
L3
L4
WD150
150
150
165
35
65
370
340
310
513
280
100
303
58
315
105
190
WD180
180
180
190
40
70
430
360
360
593
300
120
362
82
345
105
215
WD210
210
210
215
45
80
490
400
400
683
320
140
412
82
385
130
225
WD250
250
250
265
50
90
570
430
440
813
360
160
442
82
395
130
240
WD300
300
300
320
70
120
670
500
520
968
420
200
535
105
465
165
270
WD360
360
360
370
80
150
840
610
650
1138
440
240
640
130
575
200
340
型号
M
O
P
P1
Q
R
S
T
U
V(b×h)
W(b×h)
d
轉動慣量kg·m2
質量/kg
WD150
90
230
180
210
455
200
50
100
30
10×8
18×11
22
3.11×10~3
146~163
WD180
90
270
205
240
515
230
60
100
30
12×8
20×12
22
7.63×10~3
295~327.5
WD210
100
300
215
255
585
250
70
140
30
14×9
22×14
22
23.50×10~3
298~344
WD250
120
340
225
265
665
270
80
125
40
14×9
25×14
26
79×10~3
480~513
WD300
150
405
255
300
765
310
90
140
50
20×12
32×18
32
143×10~3
771~904
WD360
180
490
325
375
905
360
110
180
50
22×14
36×20
39
223.13×10~3
1195~1395
上一篇 上一篇: WD型減速器傳動比及輸出轉矩表(JB/ZQ4390-79)
下一篇 下一篇: WD蝸杆減速器适用範圍 、型号标記(JB/ZQ4390-79)
相關新聞文章 > 查看更多
O型圈損壞的原因和措施-化學介質腐蝕 2026-02-04
什麽叫齒線?什麽叫純滾動? 2025-12-04
求直線段實長的方法有哪些,作展開圖的方法有哪些? 2025-09-29
我國滾動軸承分爲哪幾個公差等級?國外軸承公差等級是如何劃分的? 2025-07-23
WD蝸杆減速器适用範圍、型号标記(JB/ZQ4390-79) 2025-05-21
WD蝸杆減速器安裝尺寸(JB/ZQ4390-79) 2025-05-20
WD型減速器傳動比及輸出轉矩表(JB/ZQ4390-79) 2025-05-19
錐齒輪承載能力計算方法第 2 部分:齒面接觸疲勞(點蝕)強度計算壽命系數ZNT(GB/T10062.2-2003) 2025-05-09
平面二次包絡環面蝸杆減速器系列、潤滑和承載能力減速器的承載能力及傳動效率(二)(GB/T16444-1996) 2025-03-24
什麽是基本尺寸? 2024-12-19
研究測量誤差的意義是什麽 2024-10-23
什麽是DETENT TORQUE? 2024-09-12
返回頂部 關閉本頁】 【打印本頁
電 話 :021-22815912  021-22816186  傳 真:021-32050712   郵箱:sales@021jsj.cn  減速機 絲杆升降機 轉向箱 蝸輪蝸杆減速機
Copyright©2009-2026上海恒點傳動設備有限公司 版權所有  地址:上海市金山區亭林鎮林寶路39号  郵編:200442  滬ICP備10206998号-2 
友情鏈接機械設備網 | 渦街流量計 | 輸送機 | 變頻控制櫃 | 破碎機 | 工業同城 | 手持終端 | 柴油發電機 | uv平闆打印機 | 風淋室 | QUV | 防火門 | 九愛圖紙 | 感應加熱設備 | 輸送帶廠家 | 噪聲治理 | 西門子plc | 拖鏈電纜 | AGV | 機械雜志 | 現代機械 | UWB高精度定位 |